Главная
Новости рынка
Рубрикатор



Архив новостей -->



 



   

Д. Чоловский

Однокристальные высоковольтные микросхемы HITACHI для маломощных приводов

Снижение габаритов бытового электропривода, а также увеличение его надёжности является основной задачей для разработчиков современных систем.

В настоящее время для использования в бытовых устройствах (таких как пылесосы, насосы, холодильники, кондиционеры, взрывобезопасные системы для помещений с повышенной концентрацией горючих веществ в воздухе и так далее) фирма HITACHI предлагает высоковольтные интегральные микросхемы для управления бесколлекторными двигателями, которые включают в себя драйвер силовых ключей для трёхфазной мостовой схемы и ШИМ-генератор. Также в микросхему могут быть включены силовая часть, выполненная на IGBT-транзисторах, схемы, реализующие защиту от токов короткого замыкания в силовой части и дополнительные функ-ции, позволяющие вплотную приблизиться к идеалу системы прямого цифрового управления. При этом возможно использование максимально простого микроконтроллера, так как многие функции управления могут осуществляться описываемыми микросхемами.

Функционально высоковольтные микросхемы можно разделить на два класса: интеллектуальные драйверы для бесколлекторных двигателей и для инверторов (табл. 1 и 2).

Таблица 1. Интеллектуальные драйверы для бесколлекторных двигателей постоянного тока

Наименование Напряжение, В Ток в импульсе, А Рабочий ток, А Корпус Пояснения
питания рабочее
ECN3018SP/SVP/SPR 15 250 1,8 1,0 SP-23Ta\b\r 3-фазная мостовая схема+драйвер
ECN3021SP/SVP/SPR 15 500 1,0 0,7 SP-23Ta\b\r 3-фазная мостовая схема+драйвер
ECN3022SP/SVP/SPR 15 500 1,5 0,7 SP-22Ta\b\r 3-фазная мостовая схема+драйвер
ECN3061SP/SVP/SPR 15 500 1,8 1,0 SP-23Ta\b\r 6-канальный драйвер двигателя
ECN3063SP/SVP/SPR 15 500 1,0 0,7 SP-23Ta\b\r 6-канальный драйвер двигателя
ECN3064SP/SVP/SPR 15 500 1,5 0,7 SP-23Ta\b\r 6-канальный драйвер двигателя

Таблица 2. Интеллектуальные драйеры силовых ключей

Наименование Напряжение, В Максимальный ток внешнего ключа, А Корпус Пояснения
питания силовой части
ECN3053PL/P/FP 15 620 30 SOP28 Драйвер 3-фазного мостового инвертора
ECN3030/3031FP 15 250 8 SOP28 Схема управления 3-фазным мостовым инвертором
ECN3035/3036FP 15 500 8 SOP28 Схема управления 3-фазным мостовым инвертором

Драйверы для двигателя

Микросхема ECN3018 — это однокристальный интеллектуальный драйвер двигателя со встроенным трёхфазным мостовым инвертором на основе IGBT. Областью применения данного устройства являются системы управления скоростью вращения трёхфазных бесколлекторных двигателей при напряжении питания до 250 В постоянного тока.

Микросхема включает в себя:

  • встроенную цепь формирования сигналов управления для верхних ключей;
  • запрограммированный алгоритм подачи сигналов на силовые ключи;
  • встроенные рекуперационные диоды;
  • ШИМ-генератор;
  • датчик частоты вращения ротора;
  • схему защиты.

Схема позволяет управлять частотой вращения ротора при помощи внешнего микроконтроллера путём изменения напряжения уставки на аналоговом выходе. Максимальная частота переключения встроенных ключей достигает 20 кГц.

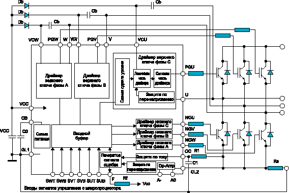
В микросхемах ECN3021/ ECN3022 (рис. 1) помимо увеличенного максимального напряжения на нагрузке до 500 В, имеется возможность контроля направления вращения ротора.

Внутренняя структура ECN3022

Рис. 1. Внутренняя структура ECN3022

Микросхема ECN3061 (рис. 2) отличается от предыдущей тем, что включает в себя только встроенные цепь формирования сигналов управления для верхних ключей и рекуперационные диоды.

Внутренняя структура ECN3061

Рис. 2. Внутренняя структура ECN3061

Формирование управляющих импульсов при использовании этой микросхемы осуществляется при помощи внешнего контроллера, логические входы микросхемы совместимы с 5-В CMOS и LSTTL-сигналами. Максимальная частота переключения встроенных ключей достигает 20 кГц.

В микросхеме ECN3063 до 500 В увеличено максимально допустимое напряжение на нагрузке, а также предусмотрена встроенная защита от тока короткого замыкания в силовой части.

Параметры микросхем драйверов электродвигателей приведены в табл. 1.

Драйверы силовой части

Микросхема ECN3053 (рис. 3) является однокристальным драйвером силовых ключей с полевым входом (IGBT или MOSFET). Область применения данной схемы — электропривод на трёхфазных бесколлекторных двигателях.

Внутренняя структура ECN3053

Рис. 3. Внутренняя структура ECN3053

В схеме предусмотрены защита по току, защита от пониженного напряжения питания логической части, а также возможность использования внешними устройствами сигнала ошибки.

Данная схема может управлять силовыми ключами инвертора (ток до 30 А и напряжение до 620 В) для управления частотой вращения ротора трёхфазного бесколлекторного двигателя. Управление возможно при использовании внешнего микроконтроллера, который формирует широтно-модулированный сигнал управления для верхних и нижних групп ключей с частотой до 20 кГц, а также “мёртвое время” при переключении ключей одной стойки. Логические входы микросхемы совместимы с 5-В CMOS и LSTTL-сигналами.

Микросхемы ECN3030F/ECN3031F и ECN3035F/ECN3036F (рис. 4) являются однокристальными драйверами для силовых ключей с полевым входом (IGBT или MOSFET). Область применения данной схемы — электропривод на трёхфазных бесколлекторных двигателях с напряжением питания до 250 и 500 В постоянного тока, соответственно.

Внутренняя структура ECN3030F/ECN3031F и ECN3035F/ECN3036F

Рис. 4. Внутренняя структура ECN3030F/ECN3031F и ECN3035F/ECN3036F

Схема включает в себя:

  • запрограммированный алгоритм подачи сигналов на внешние силовые ключи;
  • встроенную цепь формирования сигналов управления для верхних ключей;
  • ШИМ-генератор;
  • цепь защиты силовой части по току;
  • задатчик направления вращения ротора;
  • датчик частоты вращения ротора.

Управления частотой вращения осуществляется внешним микроконтроллером или другим устройством путём задания напряжения на аналоговом входе микросхемы. Определение частоты вращения ротора возможно при использовании внешнего микроконтроллера или другого устройства путём подсчёта числа импульсов на выходе датчика частоты вращения. Максимально допустимая частота переключения силовых ключей достигает 20 кГц.

Параметры микросхем драйверов приведены в табл. 2.

Официальным поставщиком HITACHI в России является
ООО «Макро Тим»
(sales@sei-macro.msk.ru).
Вся вышеуказанная продукция доступна со склада в Москве.







Реклама на сайте
тел.: +7 (495) 514 4110. e-mail:admin@eust.ru
1998-2014 ООО Рынок микроэлектроники