| |
В. Кириленко
Сделано в Белоруси
Одной из основных проблем, которую необходимо решать при применении микропроцессорных систем, является обеспечение нормального функционирования системы при включении и выключении устройства, а также при аварийном снижении напряжения питания или зависания системы вследствие некорректного выполнения программы.
Микросхемы IN1232Nи IN1705D предназначены для контроля питания в 5В-системах и формирования сигналов сброса для микропроцессоров. Могут использоваться в системах управления различными технологическими процессами и объектами и обладают следующими функциональными возможностями (таблица 1), а основные техничекие характеристики в таблице 2.
Таблица 1. Функциональные возможности микросхем IN1232N и IN1705D
| Возможность |
IN1232N |
IN1705D |
| Формирование сигналов сброса при сбое питания |
+ |
+ |
| Формирование сигналов сброса от внешней кнопки |
+ |
+ |
| Формирование сигналов сброса от сторожевого таймера |
+ |
+ |
| Изменение времени переполнения сторожевого таймера |
+ |
- |
| Формирование сигнала прерывания по аварии первичного источника |
- |
+ |
| Выбор допуска на отклонение питания от номинального 5В |
+ |
- |
Таблица 2. Основные технические характеристики микросхем IN1232N и IN1705D
| Параметр |
IN1232N |
IN1705D |
| Напряжение питания, В |
4,5-5,5 |
1,2-5,5 |
| Допуск на отклонение от 5В |
5%,10% |
5% |
| Длительность активного сброса, мС |
250-1000 |
100-285 |
Время переполнения сторожевого таймера, мС |
1)62,5-250 2)250-1000 3)500-2000 |
1000-2200 |
| Контрольная точка по питанию, В |
4,5-4,74 (5%) 4,25-4,49(10%) |
4,5-4,75 |
| Контрольная точка по входу аварии первичного источника, В |
|
1,2-1,3 |
| Температурный рабочий диапазон,ºС |
-0,142857143 |
-0,529411765 |
| Тип корпуса |
DIP-8 |
SO-8 |
Структурные схемы микросхем приведены для IN1232N на рис. 1 и для IN1705D на рис. 2 соответственно.
 Рисунок 1. Структурная схема микросхемы IN1232N
 Рисунок 2. Структурная схема микросхемы IN1705D
Как видно из структурных схем , микросхемы имеют ряд идентичных блоков, выполняющих одинаковые функции и имеющих одинаковые принципы работы. Так, для обеих микросхем, источник опорного напряжения вырабатывает опорное напряжение равное 1,21-1,25В. При снижении напряжения питания до 2,0 В опорное напряжение практически не изменяется. Схема температурно-скомпенсирована, т.е. в диапазоне рабочих температур (-45ºС+85ºС для IN1705D, -10ºС+70ºС для IN1232N). Так же и в аналоговом компараторе для обеих микросхем принцип контроля питания построен на сравнении опорного напряжения с напряжением на выходе резисторного делителя, настроенного на определенную величину. Если напряжение питания равно 5,0 В, напряжение на выходе делителя выше опорного напряжения. При снижении напряжения питания ниже допустимого значения, напряжение на выходе делителя становится ниже опорного. Компаратор сравнивает величины указанных напряжений и формирует признак ошибки питания, если напряжение на выходе делителя стало ниже опорного. Сторожевой таймер в обеих микросхемах представляет собой счетчик, инкрементирующий свое значение от низкочастотного встроенного генератора тактовых сигналов. Таймер сбрасывается внешним сигналом . При переполнении счета таймера сигналы сброса переходят в активное состояние. Длительность активных сигналов сброса также отсчитывается таймером. Время переполнения сторожевого таймера для микросхемы IN1232N может быть изменено с помощью внешнего вывода TD (см. табл. 2). : 62,5-250мС если TD подключен к GND, 250-1000мС если TD в обрыве, 500-2000мС если TD подключен к Vcc. Кроме того, в этой же микросхеме имеется схема выбора допуска отклонения напряжения питания. При 5% допуске (TOL подключен к GND) точка формирования ошибки питания VCCTP1 находится в пределах 4,5 - 4,74В. При 10% допуске (TOL подключен к Vcc) точка формирования ошибки питания VCCTP2 находится в пределах 4,25 - 4,49В.
Обе микросхемы могут выполнять три основные функции:
- Первая функция - контроль питания. Точный температурно-скомпенсированный источник опорного напряжения и аналоговый компаратор анализируют состояние питания. В случае возникновения сбоя вырабатывается внутренний сигнал ошибки питания, переводящий сигналы сброса в активное состояние. После возвращения питания в устойчивое состояние сигналы сброса остаются активными еще минимум 250 мс, позволяя источнику питания и процессору стабилизироваться.
- Вторая функция заключается в формировании сброса от внешней кнопки. Микросхема имеет внешний вход для подключения к кнопочному переключателю. При подаче на вход импульса активного низкого уровня формируются сигналы сброса, длительностью минимум 250 мс.
- Третьей функцией является сторожевой таймер. Микросхема имеет внутренний таймер, который периодически очищается внешним управляющим сигналом, формируемым микропроцессором (микроконтроллером). Эта периодическая очистка не позволяет таймеру переполниться и сформировать сигналы сброса для микропроцессора.
Если по какой-либо причине микропроцессор не сформировал сигнал очистки таймера (ошибка в программе, конфликт логических уровней на шине данных, мощная радиопомеха и т.д.), то по переполнению его счета сигналы сброса установятся в активное состояние. В микросхеме IN1232N предусмотрена возможность изменения значения времени переполнения сторожевого таймера с помощью внешнего вывода TD. Для микросхемы IN1705D время переполнения сторожевого таймера составляет 1000-2200мс, но соединением выхода состояния сторожевого таймера со входом кнопочного сброса можно реализовать функцию сброса от сторожевого таймера, длительность активного сброса при этом минимум 100 мс.
Кроме этого в IN1705D реализована еще одна функция, а именно - управление источником первичной цепи. Микросхема имеет аналоговый вход IN, который соединен со входом компаратора, на второй вход которого подается опорное напряжение, вырабатываемое источником опорного напряжения. Подключая внешний резистивный делитель ко входу IN, пользователь может самостоятельно подобрать контрольную точку напряжения первичного источника.
При реализации функции контроля питания микросхемы обнаруживают неустойчивые состояния источника питания и предостерегают процессорную систему от предстоящей ошибки питания. Когда напряжение питания опускается ниже контрольной точки VCCTP, компаратор формирует признак ошибки питания и сигнал и переходит в активное состояние (для IN1232N и сигнал RST). Точка VCCTP определяется с помощью внешнего вывода TOL для IN1232N и находится между 4.5 и 4.75В для IN1705D.
При включении питания сигналы сброса находятся в активном состоянии. По достижению питанием уровня выше контрольной точки, сигналы сброса остаются активными еще минимум некоторое время ( 250 мс IN1232N и 100мс для IN1705D), позволяя источнику питания и процессору стабилизироваться. Временные диаграммы работы микросхемы IN1232N представлены на рис. 3 и рис. 4, микросхемы IN1705D на рис. 5
 Рисунок 3. Формирование сигналов сброса при снижении питания до уровня VCCTP и ниже (ошибка питания) в микросхеме IN1232N
 Рисунок 4. Включение или восстановление питания после ошибки в микросхеме IN1232N
 Рисунок 5. Временная диаграмма работы микросхемы IN1705D
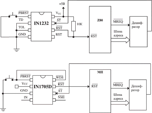
Для реализации функции сброс от внешней кнопки микросхемы имеют вход для прямого соединения с кнопочным выключателем. Активный уровень низкий. Вход имеет встроенный подтягивающий к питанию резистор (порядка 10 кОм для IN1232N, порядка 40 кОм для IL1705D). Кроме этого, вход имеет антидребезговую защиту для исключения возможности случайных срабатываний. Время удержания кнопки в нажатом состоянии должно быть не менее 20 мс. для IN1232N и не менее 150 нс для IN1705D. Время появления активных сигналов сброса (и RST для IN1232N) с момента перехода в низкий уровень tPDLY должно быть не более 20 мс. для IN1232N и не более 250 нс. для IN1705D. Сигналы и RST удерживаются в активном состоянии как минимум 250 мс для IN1232N и не менее 100 мс для IN1705D после освобождения входа из низкого уровня (с момента отжатия кнопки). Временная диаграмма формирования сброса от внешней кнопки для IN1705D представлена на рис. 5, для IN1232N на рис.6. Примеры включения микросхем при использования функции сброс от внешней кнопки показаны на рис. 7.
 Рисунок 6. Формирование сброса от внешней кнопки в IN1232N
 Рисунок 7. Примеры включения микросхем при использовании функции сброс от внешней кнопки
Реализация функции сброс от сторожевого таймера осуществлена следующим образом:
В микросхеме IN1232N cторожевой таймер переводит сигналы сброса и RST в активное состояние, если на вход стробирования таймера не поступают импульсы раньше времени его переполнения. Длительность удержания и RST в активном состоянии как минимум 250 мс. Время переполнения сторожевого таймера устанавливается входом TD (см. табл. 2). Таймер возобновляет счет после того, как сигналы и становятся неактивными. При поступлении импульса на вход раньше переполнения таймера, он сбрасывается и начинает счет сначала.
В микросхеме IN1705D сторожевой таймер переводит выход состояния сторожевого таймера в активное состояние, если на вход стробирования таймера не поступают импульсы раньше времени переполнения таймера. Длительность удержания в активном состоянии как минимум 100 мс. Время переполнения сторожевого таймера находится в пределах 1000 - 2200 мс. Сторожевой таймер стартует после того, как сигнал становится неактивным. Если переход из высокого состояния в низкое на входе происходит раньше времени переполнения таймера, то он сбрасывается и начинает счет сначала. Вход имеет встроенный подтягивающий к питанию резистор порядка 180 кОм.
 Рисунок 8. Формирование сигналов сброса от сторожевого таймера в IN1232N
Для обеих микросхем сигнал для входа может быть сформирован микропроцессором из адресных разрядов, разрядов шины данных или сигналов управления. Пока микропроцессор функционирует нормально эти сигналы будут причиной очистки сторожевого таймера раньше его переполнения. Временная диаграмма формирования сигналов сброса от сторожевого таймера для IN1705D представлена на рис. 5, для IN1232N - на рис. 8. Примеры включения микросхем при использования функции сброса от сторожевого таймера показаны на рис. 9.
 Рисунок 9. Примеры включения микросхем при использовании функции сброс от сторожевого таймера
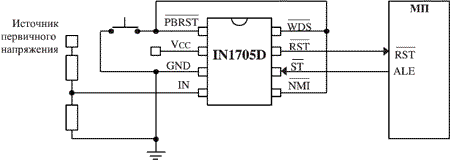
Кроме вышеизложенного в микросхеме IN1705D реализована функция немаскируемое прерывание. Микросхема вырабатывает немаскируемое прерывание для раннего предупреждения об ошибке питания. Точный компаратор сравнивает напряжение на входе IN с напряжением внутреннего опорного источника. Вывод IN - высокоимпедансный вход, позволяющий пользователю самому определять контрольную точку первичного источника питания. Для задания контрольной точки используется внешний делитель напряжения. Так как точка порога ошибки по входу IN, VTP равна 1,25В, значения сопротивлений резисторов внешнего делителя R1 и R2 могут быть подобраны из уравнений, как показано на рис.10. Контрольная точка может быть получена для источника с более высоким напряжением (иным чем 5,0В) близким к основному питанию системы. В собственных операциях с IN1705D входное напряжение высокого уровня на входе IN ограничено напряжением питания микросхемы. Поэтому максимальное напряжение источника питания, которое может быть проконтролировано с помощью вывода IN - Vmax может быть расчитано из уравнения, как показано на рис. 10. Простой подход при решении уравнения делает выбор значения сопротивления R2 внешнего делителя достаточно точным при задании сопротивления R1. Гибкий подход в работе со входом IN позволяет обнаруживать падение питания системного источника в самый ранний момент, увеличивая суммарное время для отключения системы между и . При обнаружении падения напряжения в контрольной точке, микросхема формирует импульс на выходе активного низкого уровня, длительностью 200 мкс минимум. Напряжение первичного источника питания должно быть ниже напряжения контрольной точки в течение приблизительно 5 мкс, прежде чем активный импульс будет сформирован. Таким образом, шумы источника питания устраняются из функции контроля, предотвращая ложные прерывания. В процессе включения питания, любое обнаружение на входе IN уровня напряжения ниже VTP не приводит к генерации прерывания до тех пор, пока VCC не достигнет VCCTP. Подключение выхода ко входу дает возможность немаскируемому прерыванию сформировать автоматический сброс при сбойной ситуации питания в системе.
 Рисунок 10. Включение микросхемы при использовании функции немаскируемого прерывания
Напряжение контрольной точки VSENSE, В, определяется соотношением резисторов делителя R1 и R2 и выражается следующей формулой
(1)
Максимальное напряжение первичного источника VMAX , В, определяется выражением
(2)
Пусть, например: VSENSE = 6.0 В;
VCC =5.0 В;
R2 = 10 кОм.
Следовательно из выражения (2) находим:
Подставляя значения в формулу (1), получаем: 
Отсюда находим R1= 38 кОм.
Временная диаграмма установки сигнала немаскируемого прерывания от входа IN представлена на рис.11.
 Рисунок 11. Временная диаграмма установки прерывания сигнала от входа IN
Подключением выходов и ко входу можно формировать сигнал сброса для управления микропроцессором при переполнении сторожевого таймера и от немаскируемого прерывания. Пример включения микросхемы для данного случая показан на рисунке 12.
 Рисунок 12. Пример включения микросхемы для инициализации сброса от и 
Настоящая статья не ставила перед собой целью описать принципиально новые разработки - я почти уверен, что любой грамотный инженер, по роду работы связанный с проблемами устойчивой работы микропроцессорных систем, уже давно знаком с вышеописанными приборами, точнее их прообразами фирм Dallas Semiconductor и Maxim. Стоит лишь отметить следующее: описанные выше приборы уже освоены НПО "Интеграл", на подходе появление IN1232 в SO-8 исполнении и IN1705 в DIP-8. Хотя прообразом для создания IN1232 служила схема DS1232, но в отличии от "родной" IN1232 рассчитана на коммерческий диапазон температур и, естественно, по потреблению (динамический ток потребления 2,0 мА) она уступает MAX1232 (как и DS1232). Насколько я понимаю, это не "кривизна" технологии, а попытка создать максимально дешевый прибор, устраивающий абсолютное большинство потребителей (в несколько раз дешевле фирменных). Этот же тезис доказывает и то, что уже IN1705 полностью повторяет параметры DS1705. И, соответственно, в ней же снимается вопрос с экономией в потреблении (MAX1232 - 200 мкА, IN1705 - 60 мкА). Что не могло не отразиться на стоимости (в сравнении с IN1232 конечно дороже, в сравнении с DS1705 по моей информации - конечно существенно дешевле). В конечном итоге :платить за "фирму" или поверить в качество продукции ближайших соседей - выбор все равно за потребителем. Нашей задачей было своевременно проинформировать этих самых потребителей.
|